Design Centers
    White Goods
    Replacing batteries unnecessarily can be a considerable expense

    Balancing lead-acid batteries

    09/26/2015
    Aspiyan Gazder, Linear Technology

    Lead-acid batteries are widely used in a broad range of industries and applications. The telecom industry uses a series stack of four lead-acid batteries to provide a 48V stack. Energy storage solutions (ESS) use lead-acid batteries in a variety of series and parallel configurations to store energy generated by renewable sources such as wind and solar.

    Series-connected lead-acid batteries find extensive use in the UPS (uninterruptible power supply) industry to provide backup power when the mains power is lost. Golf carts and other industrial electric vehicles are typically powered by a stack of series-connected lead-acid batteries. In all the examples, two or more lead-acid batteries are connected in series. When a single lead-acid battery in the stack fails, all the lead-acid batteries in the series stack need to be replaced to maintain battery stack performance. This is a considerable expense.

    Battery variations

    When batteries are manufactured, they must conform to tight specifications for parameters such as energy capacity, ESR (effective series resistance), leakage current, and the number of discharge cycles before failure to ensure quality, guarantee a minimum lifetime, and meet various standards. Furthermore, these specifications only apply to a single battery.

    There are variations in battery specifications due to limitations in the manufacturing process, and when multiple batteries are stacked in series these specifications no longer apply to the battery stack. Batteries connected in series will drift over time due to unequal leakage currents, and capacities of individual batteries may change over time.

    Extreme operating conditions and frequent discharge cycles further exacerbate these problems, which eventually cause one of the batteries in the stack to fail.  At that point, the entire battery stack is deemed to be bad, and all the batteries in the stack require replacement. Replacing a failed battery itself does not solve the problem, since the replacement battery’s characteristics will be very different from the other batteries in the stack, and stack failure would recur. This problem is true for all battery stacks made with batteries of any chemistry, not just lead-acid batteries.

    Managing measurements and charge

    In most series-connected battery stacks, only the voltage at the top of the stack is measured, and it is assumed the batteries in the stack are matched and hence share charge equally. Figure 1 depicts a scenario in which the top of the stack voltage is programmed to be 53.2V, but the individual battery voltages are unknown and may not all be 13.6V. Since not all batteries in the stack will share the charge evenly, some of the batteries in the stack might be severely overcharged while one or more of the other batteries in the stack may remain undercharged. Both the overcharging and undercharging of lead-acid batteries will cause battery life degradation.

    Click image to enlarge

    Figure 1: Top of stack voltage is not divided evenly across the batteries in the stack

    Overcharging lead-acid batteries causes the electrolyte water to break into oxygen and hydrogen gas, which depletes electrolyte levels in the batteries. This has two effects. The concentration of the sulfuric acid in the electrolyte increases, which is damaging to the battery plates and reduces battery life. Furthermore, since the electrolyte level has dropped, a portion of the plates are now exposed to air, causing plate oxidation and reducing battery capacity.  Sealed lead-acid (SLA) and gel batteries are particularly sensitive to overcharging, since any lost water cannot be replaced.

    Undercharging lead-acid batteries causes plate sulfation, in which the sulfuric acid reacts with the plates to form lead sulfate crystals. This reduces the ability of the battery to accept a full charge, and undercharging worsens. This leads to premature battery failure.

    Balancing the stack

    To increase battery stack life, individual batteries in a stack need to be balanced. Conventional wisdom is that overcharging a series stack of lead-acid batteries achieves balancing of the individual batteries in the stack, which in theory helps increase battery life.  However, this is a flawed approach.

    The only way to ensure that all the batteries in a stack are at the same voltage is by employing a balancing solution in which overcharged batteries shed excessive charge, while undercharged batteries are given extra charge. An efficient battery balancing solution requires a switch network that can be used to move charge from one battery to another to achieve a balanced battery stack. The control circuitry is complex and a discrete implementation is large and costly. The LTC3305 lead acid battery balancer is currently the only active lead-acid balancer that enables individual batteries in a series-connected stack to be balanced to each other.

    Figure 2a shows an application in which a single LTC3305 is used to balance four series-connected lead-acid batteries. Each battery in the stack is individually and sequentially connected in parallel with an auxiliary cell using a network of 10 external low RDS(ON) NMOS transistors controlled by the LTC3305.  If the voltages are different, current will flow in the appropriate direction until the voltages of the individual battery and the auxiliary cell are equal. 

    Click image to enlarge

    Figure 2a: Complete 4-battery balancer

    The LTC3305 then commutates to the next battery in the stack.  This sequence continues (1, 2, 3, 4, 1, 2, 3, 4) until all batteries in the stack (and the auxiliary cell) are voltage balanced to within a specified threshold, as shown in the curve in Figure 2b.  The maximum amount of current permitted to flow during any connection is limited by an external positive temperature coefficient (PTC) thermistor element.

    Click image to enlarge

    Figure 2b: Complete 4-battery balancer

    The LTC3305 provides two modes of operation, which are programmable via the MODE pin and four termination thresholds, which are programmable via the TERM1 and TERM2 pins. The LTC3305 also has overvoltage and undervoltage comparators that monitor the battery voltage and report a fault if the battery voltage is beyond the programmed threshold. The undervoltage and overvoltage thresholds are programmable using the VL and VH pins, respectively, in conjunction with the ISET pin.

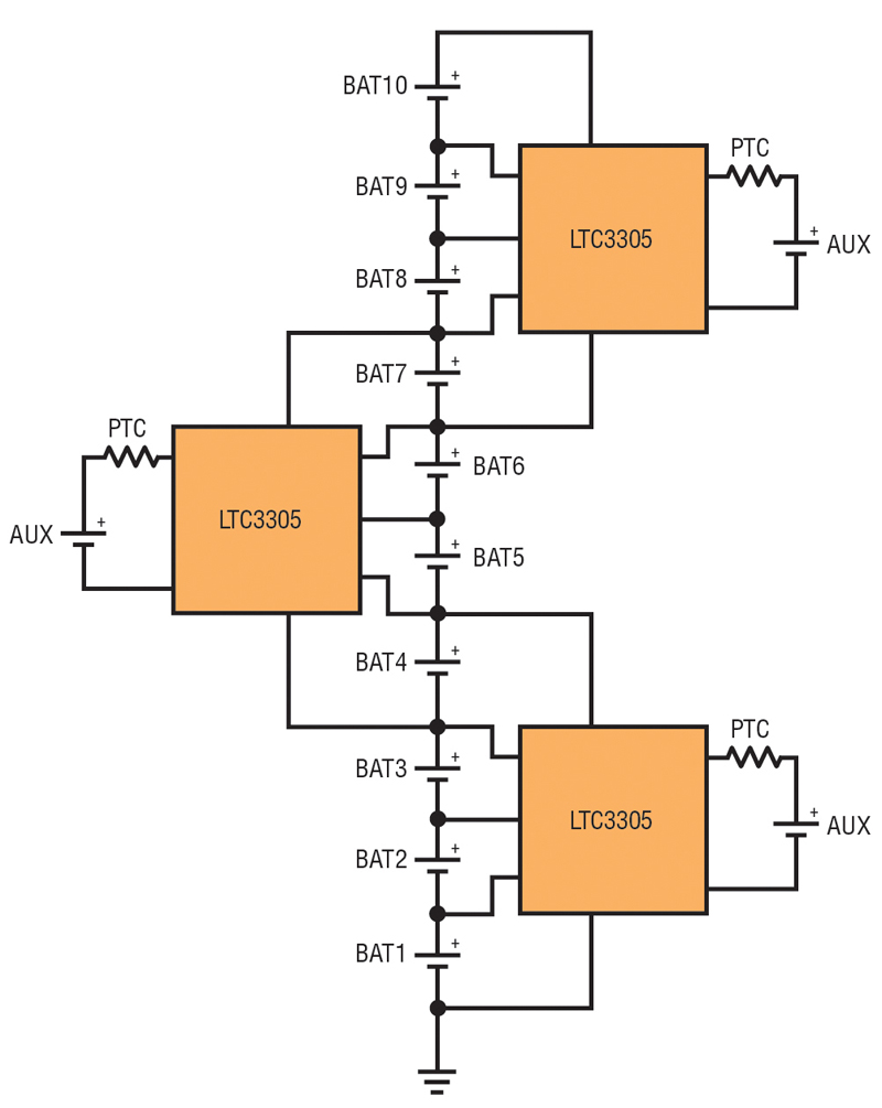
    Multiple LTC3305 devices can be stacked to balance battery stacks consisting of more than four series-connected lead-acid batteries. In Figure 3, three LTC3305 devices are used to balance up to ten batteries in a battery stack. Each LTC3305 needs its own auxiliary cell for the balancing operation.

    Click image to enlarge

    Figure 3: Multiple LTC3305 devices can be stacked to balance more than four series-connected batteries

    Balancing lead-acid batteries using the LTC3305 also offers other benefits. Low voltage circuits can be powered from intermediate stack nodes without creating an imbalance in the battery stack, as shown in Figure 4. This helps reduce solution costs since discrete components and IC costs scale with rated voltage. The capacity of the auxiliary cell supplements the stack capacity, resulting in longer run times.

    Click image to enlarge

    Figure 4: Low voltage circuitry can be powered from intermediate nodes

    There is no argument to the fact that lead-acid battery packs benefit from being balanced, as balanced battery pack helps extend stack run time beyond that of the lowest capacity battery in the stack. Furthermore, battery life is also extended, reducing the expense of replacing batteries in the stack due to failure. The complete lead-acid balancing solution provided by the LTC3305 allows battery packs to be balanced with a minimum of design effort.

    Linear Technology

     

     

     

     

     

     

     

     

     

     

     

     

     

    Related

    Power Systems Design

    146 Charles Street
    Annapolis, Maryland 21401 USA

    Power Systems Design

    Power Systems Design is a leading global media platform serving the power electronics design engineering community. It delivers in-depth technical content, industry news, and product insights to engineers and decision-makers developing advanced power systems and technologies.

    Published 12× per year across North America and Europe, Power Systems Design is distributed through online and fully digital editions, complemented by eNewsletters, webinars, and multimedia content. The platform covers key areas including power conversion, semiconductors, renewable energy, automotive electrification, AI power systems, and industrial applications—supporting innovation across the global electronics industry.