Design Centers
    Power Semiconductors
    The role of Bidirectional charging (BDC) and factors to consider when designing a BDC solution
    Click image to enlarge

    Figures 1a and 1b: Unidirectional and bidirectional charging systems (Source: Bel Fuse)

    Bidirectional Charging Systems at Different Power Levels

    12/23/2025
    Harvey Wilson, Senior Manager Industrial Vertical Markets EMEA, Avnet Silica

    ­Power conversion is a key function within energy management and storage systems, and a growing market for energy-efficient solutions is driving innovation in power electronics. Bidirectional charging (BDC) is one such innovation that transforms energy management and enables a wide range of new applications. In this article, we discuss.

    BDC is Transforming Energy Storage

    Energy storage technologies are key enablers of electrification and low-carbon electricity generation, both high-profile strategies in global efforts to achieve net-zero emission targets. Energy storage systems also underpin the 24/7 operation of critical infrastructure such as data centres and telecoms networks, providing on-demand backup power. While batteries are at the heart of modern energy storage systems, power conversion is an equally core function, and significant innovations in power conversion technologies, including BDC have fundamentally changed the energy storage market, enabling a wide spectrum of applications.

    Traditional power conversion solutions could only transmit power in one direction, either from the AC grid to the DC battery, or vice versa, necessitating the inclusion of two separate power conversion circuits in energy storage systems, Figure 1a.

    This restricted the design of energy storage systems, thereby limiting their use, primarily to fixed, larger-scale implementations. BDC solutions, however, use a single circuit for both AC/DC and DC/AC conversion, figure 1b, bringing multiple benefits, including reduced size, weight, power, and cost (SWaP-C), lower complexity, increased flexibility and greater scalability.

    The increased flexibility offered by BDC has enabled a wide and growing spectrum of applications, including the integration of EVs with domestic and grid-level power systems. There is also a growing focus on domestic and commercial scale energy storage systems, see Figure 2.

    Click image to enlarge

     

    Figure 2: BDC systems play a key role in zero-emission building design (Source: onsemi)

     

    Buildings, as Europe’s largest energy consumers, play a central role in the EU’s goal of becoming the first climate-neutral continent by 2050. Since 2020, all new EU buildings must meet ‘nearly-zero energy building’ (NZEB) standards, ensuring high energy efficiency and reliance on renewable energy sources, as outlined in the Energy Performance of Buildings Directive (EU/31/2010). By 2030, this will evolve to ‘zero-emission buildings’ (ZEB), which will eliminate on-site fossil fuel emissions and further enhance energy performance.

    A key implication of this transition is the growing importance of energy storage. ZEBs will integrate electric and thermal energy storage systems to balance energy supply and demand. These systems will store surplus renewable energy generated onsite, such as solar or wind power, for later use. This capability supports grid flexibility by enabling decentralised energy generation, better demand response, and smart charging. As a result, energy storage will not only reduce reliance on fossil fuels but also stabilize the grid, ensuring a more resilient and sustainable energy infrastructure.

    Design Considerations for Bidirectional Charging Systems

    When designing a BDC system, engineers must balance factors such as efficiency, cost, size, and safety, against the specific requirements of the application.

    The choice of conversion topology is key, as different topologies offer unique advantages and disadvantages, table 1, which in turn impact the size, cost, and efficiency of the power conversion system.

    Click image to enlarge

     

    Table 1: Different switching topologies offer unique advantages and disadvantages

     

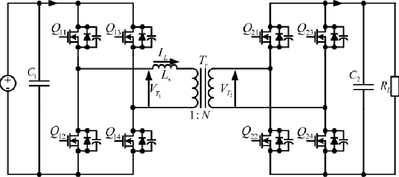
    The highly efficient Dual-Active Bridge (DAB) topology, figure 3, is particularly versatile, with its ability to handle a broad range of input and output voltages. This topology is an attractive choice for applications where minimising energy loss is crucial.

    A DAB consists of two full-bridge H-bridges connected across an isolated high-frequency transformer. Power flows bidirectionally by modulating the phase shift between the primary and secondary bridges, allowing precise regulation of energy transfer while maintaining galvanic isolation. Key components for engineers to select include high-speed MOSFETs (with each H-bridge using four MOSFETs) or power modules, rectifying diodes, and the transformer, with passive elements to manage leakage inductance and soft-switching conditions.

    Click image to enlarge

     

    Figure 3: The Dual-Active Bridge (DAB) topology, is highly efficient and supports a wide range of input and output voltages (Source: ResearchGate)

     

    Designers implementing DAB topologies like the example in Figure 3 can choose from a wide range of MOSFETs, diodes, and integrated power modules from Avnet Silica’s portfolio, including solutions from leading manufacturers such as onsemi, ROHM Semiconductor, STMicroelectronics, and Nexperia.

    As well as the topology, the choice of semiconductor technology is also important when designing BDC systems, with device selection impacting switching speed, thermal performance, efficiency, and cost. Options include:

    ● Silicon (Si) MOSFETs and IGBTs are well-established for low- to medium-power applications and are cost-effective at lower switching frequencies.

    ● Silicon Carbide (SiC)is ideal for high-power and high-voltage applications (>5 kW), offering reduced switching losses, higher efficiency, and higher temperature operation. SiC dominates EV chargers and grid-scale storage systems above ~10 kW.

    ● Gallium Nitride (GaN)is currently well-suited for compact, low-voltage, single-phase home energy systems or bidirectional converters. Some modules with multiple parallel GaN dies exist for higher power tiers, but these remain uncommon. Vertical GaN could enable higher voltage and power, but widespread adoption requires overcoming fabrication, packaging, and integration challenges.

    Selecting the switching control strategy is another key consideration when designing BDC systems, and it can depend on the chosen topology, power level, and semiconductor technology. For a given application, this involves choosing the method for controlling the converter’s switches, such as phase-shift or resonant techniques, and tuning parameters like dead-time to balance efficiency and safe bidirectional operation. Optimising these settings minimises switching and conduction losses while preventing unsafe current or voltage stresses.

    Finally, there are safety factors related to both power tier and the selected topology that engineers must consider. While topologies such as DAB or CLLC provide inherent galvanic isolation through their transformers, engineers must still account for insulation, fault protection, and regulatory requirements, especially at higher power levels. In contrast, single-phase, low-power systems can safely use simpler non-isolated topologies, though appropriate protective measures remain necessary.

    Application Examples by Power Level

    Power conversion design is driven by multiple interdependent factors, including efficiency targets, input voltage range, output power, thermal constraints, and the intended bidirectional functionality. Selecting the right topology and semiconductor technology requires balancing these factors to achieve the desired performance, reliability, and cost.

    The following sections show how topologies and semiconductor technologies are typically applied across different power levels and use cases:

    Small-Scale Residential Systems (≤3.6 kW, Single Phase)

    ● Typical use: Home Energy Management Systems (HEMS), small solar-plus-storage setups.

    ● Electrical characteristics:1-phase AC, 230 V nominal, 16 A; DC bus ≤600 V; bidirectional power <10 kW.

    ● Recommended topologies:

         o Buck-Boost: Non-isolated, cost-effective, simple control.

         o DAB or CLLC (isolated): Provides safety and flexible DC bus integration.

    ● Semiconductors: Silicon MOSFETs are typically sufficient; GaN may be used in some lower power, high-frequency designs.

    Medium-Power Commercial Systems (≈11–15 kW, Three Phase)

    ● Typical use: Level 2 EV chargers, small-scale microgrids, NZEB buildings.

    ● Electrical characteristics:3-phase AC, 400 V nominal, ±10% / −6% tolerance; DC bus ≤1000 V.

    ● Recommended topologies:

         o Three-Level NPC:Efficient AC-DC stage, lower switch stress.

         o DAB or CLLC:Isolated bidirectional DC-DC conversion, compact design, high efficiency.

    ●  Semiconductors:SiC MOSFETs dominate due to efficiency, power density, and thermal performance. GaN is generally not practical in this power range.

    High-Power Industrial/Grid-Scale Systems (>22 kW)

    ●  Typical use: EV fast chargers, industrial energy storage, data centre backup.

    ●  Electrical characteristics:3-phase AC, 400 V nominal; DC bus 1000–1200 V or higher; power 22 kW–350 kW.

    ●  Recommended topologies:

         o DAB (multi-phase or interleaved) and CLLC resonant DC-DC

         o Totem-Pole Bridgeless PFCfor AC-DC stage

    ●  Semiconductors:SiC MOSFETs or IGBTs; high voltage SiC devices (1200 V–2200 V) enable compact, high-efficiency designs. GaN is currently not suitable at these power levels.

    Conclusion

    The advent of BDC systems has fundamentally changed the landscape of energy management at all power levels. The versatility and scalability of BDC enable energy storage systems to move from the grid into the industrial, commercial and domestic sectors, supporting increased efficiency in energy use and contributing to the reduction of CO₂emissions.

    Bidirectional charging systems are a cornerstone of modern energy management, enabling efficient energy storage and supporting the global shift toward renewable energy. Designers of solutions at all levels, from consumer to utility-scale, have a rich palette of topologies and devices to choose from when optimising efficiency, power density and performance. Avnet Silica provides the tools, expertise, and components necessary to design and scale BDC systems for a wide range of applications, from home energy systems to grid-scale solutions.

     

    Avnet Silica

    Related

    Power Systems Design

    146 Charles Street
    Annapolis, Maryland 21401 USA

    Power Systems Design

    Power Systems Design is a leading global media platform serving the power electronics design engineering community. It delivers in-depth technical content, industry news, and product insights to engineers and decision-makers developing advanced power systems and technologies.

    Published 12× per year across North America and Europe, Power Systems Design is distributed through online and fully digital editions, complemented by eNewsletters, webinars, and multimedia content. The platform covers key areas including power conversion, semiconductors, renewable energy, automotive electrification, AI power systems, and industrial applications—supporting innovation across the global electronics industry.