DEPARTMENTS: DESIGN TIPS

    Complete, Efficient 100mA Wireless Charging Solution with Optimum Power Transfer and Safety Features

    09/23/2025
    Wenwei Li, Power Products Applications Engineer, Analog Devices
    Click image to enlarge

    Figure 1: Complete 6mm wireless battery charger solution

    ­The LTC4124 is a high performance 100mA wireless Li-Ion charger receiver that provides a tiny total solution with few external components for space-constrained applications. The LTC4124 is paired with theLTC4125 - a wireless power transmitter with optimum power search and foreign object detection features - to create a safe and efficient wireless charging environment.

    Highly Integrated Wireless Charger Receiver

    Wireless charging is becoming increasingly popular for small form factor portable and wearable devices. This is no surprise. Devices are more robust without exposed connectors and ports, and the end user experience is greatly simplified. To overcome typical space constraints posed by these devices, such as hearing aids, the LTC4124 integrates a wireless power manager - converting ac voltage from the wireless resonant tank into a regulated dc voltage. This dc voltage is then fed into a full-featured linear battery charger to provide a healthy battery charging cycle. This high level of integration results in a very small, full-featured wireless charging installation, requiring only the addition of a receiver resonant tank and the battery itself.

    Efficient Wireless Power Manager

    As shown in Figure 2, when the LTC4124 receives more energy than it needs to charge the battery, the wireless power manager in the IC keeps the input voltage to the IC, VCC, low by shunting the receiver resonant tank to ground. In this way, the linear charger is highly efficient as its input is always kept just above the battery voltage, VBATT. The resonant tank also receives less power when the shunting circuit is engaged, as the resonant frequency is detuned from the transmitter frequency.

    Click image to enlarge

    Figure 2: Rectification of ac input and regulation of dc rail voltage

     

    Complete the Wireless Charging Design with the LTC4125 Transmitter

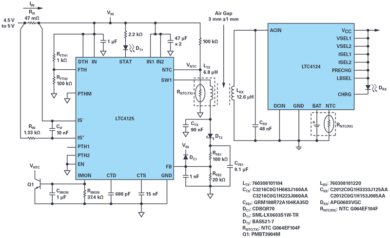
    The LTC4125 shown in Figure 3 is a high-performance Auto Resonant™ wireless transmitter with complete protection features for wireless charging applications. Optimum power search in the LTC4125 adjusts the transmitted power based on the receiver load requirements. The LTC4125 also includes multiple foreign object detection methods to prevent other objects from receiving undesired power from the transmitter.

    When paired with the LTC4124, the LTC4125 full-bridge resonant driver can be converted to a half-bridge driver to utilize finer resolution search steps, enabling low power receivers to receive just enough power to charge the battery. As the battery is close to being fully charged, the LTC4124 enters constant voltage mode, reducing the regulated charge current. The LTC4125 automatically decreases its level of power delivery to match the lower power demand of the receiver. This helps reduce power dissipation throughout the charging cycle, keeping the LTC4124 charger and battery cool.

    Figure 4 shows the temperature of the receiver circuit at full power and at current limiting constant voltage mode. The temperature at both conditions are below 40°C under room temperature.

    Click image to enlarge

     

    Figure 3: A 100mA LTC4124 charger receiver paired with an LTC4125 Auto Resonant transmitter in optimum power search operation

     

    Click image to enlarge

     

    Figure 4: Thermal performance comparison: (a) 100mA charging current at 4.1V output, (b) 10mA charging current at 4.2V output

     

    When the charger receiver is moved away from the transmitter, the LTC4125 fails to find an active load and reduces its power to standby mode as shown in Figure 5. Figure 6 shows what happens when a foreign metal object is placed on the transmitter - the LTC4125 detects a high resonant frequency and enters standby mode.

    Click image to enlarge

     

    Figure 5: LTC4125 operation with no receiver detected

     

    Click image to enlarge

     

    Figure 6: LTC4125 detects a foreign object

     

    Conclusion

    LTC4124 integrates a wireless power manager and a full-featured Li-Ion battery charger to simplify wireless charger receiver design in space-constrained applications. The LTC4125 can be used as a half-bridge transmitter for the LTC4124 receiver to complete a well-protected, highly efficient wireless charging solution.

     

    Analog Devices

    Related

    When the Supply Voltage Is Dynamic

    Apr 1,2026
    Frederik Dostal, Power Management Expert, Analog Devices

    A Reliable Power-Up and Power-Down Sequence

    Mar 1,2026
    Frederik Dostal, Power Management Expert, Analog Devices

    Important Characteristics of Insulated Gate Drivers

    Feb 1,2026
    Thomas Brand, Senior Field Applications Engineer, Analog Devices

    Step by Step Methodology and Solutions for Connecting and Disconnecting a Supply Voltage Line

    Jan 1,2026
    Frederik Dostal, Power Management Expert, Analog Devices

    Power Systems Design

    146 Charles Street
    Annapolis, Maryland 21401 USA

    Power Systems Design

    Power Systems Design is a leading global media platform serving the power electronics design engineering community. It delivers in-depth technical content, industry news, and product insights to engineers and decision-makers developing advanced power systems and technologies.

    Published 12× per year across North America and Europe, Power Systems Design is distributed through online and fully digital editions, complemented by eNewsletters, webinars, and multimedia content. The platform covers key areas including power conversion, semiconductors, renewable energy, automotive electrification, AI power systems, and industrial applications—supporting innovation across the global electronics industry.