Automotive & Transportation
    Wafer-level chip-scale packaged products have gained auto certification, been in orbit, been medically inserted into humans, and have saved a lot of energy
    Figure 1: Si MOSFET-based architecture for providing AC power to the CPU or GPU

    GaN and 48 V – Where are We and Where are We Going?

    03/31/2020
    Alex Lidow Ph.D., CEO and Co-founder, Efficient Power Conversion

    Three years ago, the cost of making medium voltage eGaN FETs fell below the cost of equivalently rated power MOSFETs.  At that time EPC decided to use the performance and cost advantages of eGaN FETs to aggressively pursue applications with input, or output, voltage around 48 V. Specifically, automotive and computer applications is where 48 V conversion is becoming the new architecture, the new standard for power systems.

    Our reasoning to target 48 V applications was this major shift in topologies in automobiles and high-density computers that will translate into a large number of open design windows for new architectures.  Having open design windows, designers will consider  significant changes in their designs and aggressively evaluate new higher performance component technologies.

    Positive results have followed − the increasing adoption of eGaN FETs and ICsin 48 V applications has been very gratifying.  High volumes have already been realized in high density computing, and many new automotive designs designs are in process that will cause GaN product volumes to approach that of their aging ancestor, the silicon MOSFET. A third application , motor drive, is also beginning to take advantage of GaN high performance and low cost with new, innovative topologies.

    To demonstrate how 48 V conversion is accelerating GaN’s adoption, we will first consider computers, then automotive applications.

    48 V Computer Applications with GaN

    Many server designs are switching from having rack-based 48 V isolated and regulated DC-DC convertersthat convert to 12 V (see Figure 1), to non-isolated, unregulated 48 V DC-DC converters mounted on the server boards.

    Space on a server board is extremely precious, and servers – especially those designed for performing high-end computation functions such as Artificial Intelligence (AI) – are demanding more and more power.  Simultaneously, GPU’s are becoming quite common in AI systems. These GPU’s are putting additional demands on power conversion requirements, where voltages as low as 0.6 V are required under certain operating conditions.

    These stringent power requirements have necessitated changes in basic power conversion architecture.  First, with board space at a premium, high power density architectures becomes the holy grail for power systems designers.  eGaN® FETs from EPC have been in production for 10 years, and the 5th generation devices are half the size of their 4th generation predecessors, are twice as fast, and are priced comparably with MOSFETs. 

    For illustration of GaN’s superior performance, shown in Figure 2 is a comparison between a traditional 300 W isolated 48 V – 12 V silicon-based converter and an ultra-small 300 W, 48 V – 5 V LLC using eGaN FETs. In addition to a significant size reduction, the GaN-based LLC has 30% lower power losses.

    Click image to enlarge

    Figure 2:  (Top) 300 W 48 V – 12 V 1/8 Brick DC-DC converter using Si MOSFETs.  (Bottom) 300 W, 48 V – 5 V LLC using eGaN FETs on the primary side

     

    Lowering the intermediate bus voltage from 12 V to 6 V (or 5 V) is a second shift that is rapidly occurring in server architecture.  This shift allows a change in technology from power MOSFETs on the secondary side of the DC-DC converter to higher density BCDMOS ICs that include the power MOSFET and driver electronics. 

    In addition, the point-of-load (POL) converters that used to be 12 VIN to 1 VOUT and relied upon trench MOSFETs are now shifting to 6 V to 0.6 V POL converters using monolithic BCDMOS with a single silicon IC. These BCDMOS POLs can go to higher frequencies, making the POLs smaller and able to be placed much closer to the GPU or CPU.  This reduction in distance can reduce the resistance between the POL and the GPU/CPU by as much as 350 µΩ.  At 1000 A, that is a 350 W reduction in losses!

    Additionally, the AC-DC power supply that remains on the server rack is also converting rapidly to GaN FETs or GaN ICs on both the primary side and the 48 V secondary side.  This new architecture, and the technologies used for power conversion, is shown in figure 3.

    Click image to enlarge

    Figure 3:  Emerging architecture for providing AC power to the CPU or GPU. Note, MOSFETs have been replaced by GaN devices or BCDMOS ICs, and the 12 V bus voltage is now 6 V (or 5 V)

    Note: There are no silicon power MOSFETs in this new architecture

     

    Introduction of GaN ICs Reduces Size and Improves Performance

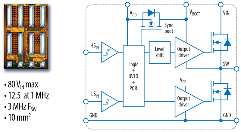
    GaN devices are rapidly becoming even smaller and with improving performance.  In March 2020, EPC launched the ePower Stage IC that combines power FETs in a half-bridge topology with their own drivers, level shift, and input logic onto a single GaN-on-Si chip (see Figure 4). 

    Click image to enlarge

    Figure 4: EPC2152 ePowerTM Stage integrated circuit combines a monolithic half bridge with drivers, a level shifter, a synchronous bootstrp circuit, and input logic onto a single GaN-on-Si chip

     

    The surprising result was that this tiny chip outperforms discrete eGaN devices with the same nominal specifications when driven with a conventional silicon-based driver IC (see Figure 5).

    Click image to enlarge

    Figure 5: The green lines show the efficiency of the ePower Stage IC at 1 MHz (solid line) and 2.5 MHz (dotted line).  The blue lines represent the efficiency of the same circuit made with discrete eGaN FETs and a silicon-based driver IC.  Note the black X that shows the best performance by a MOSFET-based converter at 1 MHz

     

    There are three reasons for this superior performance; (1) reduced power loop and gate loop parasitic inductance, (2) driver devices are perfectly matched to their power FETs and, (3) improved thermal management due to the ballasting effect that comes from putting two devices onto the same substrate.

    In the near future, we expect that ePower Stage devices will be used in the primary side of LLC converters such as shown in Figure 2, or in buck converters such as shown in Figure 6.  This tiny power stage is 35% smaller than the best layout possible with discrete eGaN FETs and a silicon-based driver IC.  It has all the components of a buck conveter with the exception of the controller.

     

    Click image to enlarge

    Figure 6: This EPC9207 48 V – 12 - 5 V, 12.5 A, power stage measures 14 mm x 9 mm x 4 mm and uses the EPC2152 ePower Stage IC.  It has all the components, except the controller, needed to create a buck converter

     

    48 V Automotive Applications Using GaN

    In the automotive world, there are similar shifts in power architecture underway.  As the world shifts from pure internal combustion engines (ICE) to mild hybrids and plug-in-hybrids, many of the functions that were mechanically driven by the engine are converting to electric power.  As such, electrical power requirements are growing rapidly from sub-1 kW to 2 – 8 kW.  To handle the high current needed at these power levels would require very thick and expensive wires in the wiring harnesses.  The automotive manufacturers are therefore planning to shift to a 48 V bus (see Figure 7). 48 V is a logical operating point because the diameter of the copper wire is reduced by a factor of 16, and 48 V is safely below the 60 V limit above which extra isolation layers would need to be added to electrical systems.

    Click image to enlarge

    Figure 7: IHS Automotive predicts 11 million vehicles will have 48 V primary distribution busses by 2025

     

    As was the case for high density computing, GaN is the best choice for the power devices.   An examble of this is shown in Figure 8.  This is a comparison of a 3 kW, 48 – 14 V bi-directional converter using power MOSFETs and the same output power using eGaN FETs.  By using eGaN FETs, the frequency can be doubled while still improving conversion efficiency and reducing the design from five phases to four phases.

    Click image to enlarge

    Figure 8:  Shown is a comparison between a 3 kW MOSFET-based 48 V – 14 V bi-directional buck/boost converter (top) and the same power output design using EPC2206 automotive qualified eGaN FETs (bottom)

     

    The reduced cost of the eGaN FET- based design is shown in Figure 9.  Higher efficiency, smaller size, less weight, and lower cost are compelling reasons for GaN devices to dominate this automotive application.

    Click image to enlarge

    Figure 9: Cost comparison between MOSFET design and eGaN FET design of a 3 kW, 48 V – 14 V bi-directional buck converter for mild hybrids

     

    Conclusion

    GaN devices have over 10 years of actual customer experience in the field, and the volumes used in high-density computing and automotive applications have grown exponentially, bringing down the cost and increasing power system design engineers’ confidence.  Computers and automobiles are just the beginning.  Motor drives for robots, drones, and industrial automation are the next major markets poised to discard aging power MOSFETs and adopt smaller, faster, and lower cost GaN FETs and ICs.

    Efficient Power Conversion (EPC)

     

    Related

    Power Systems Design

    146 Charles Street
    Annapolis, Maryland 21401 USA

    Power Systems Design

    Published by Power Systems (PSD) serves all aspects of the Power Electronics market including but not limited to Power Conversion, Power Management, Intelligent and Embedded Motion, Automotive, Renewable Energy, Energy Efficiency and Lighting. PSD is published 10x per year in English with separate print editions for Europe and North America and is published 6x per year in China. PSD Apps are available for Android & iOS. Additionally qualified power engineering professionals may subscribe and receive PSD daily PowerSurge newsletters.