DEPARTMENTS: TECHNICAL FEATURES

    Isolation Evolves to Keep Pace with Applications

    03/20/2024
    Yun SHENG, CTO, NOVOSENSE Microelectronics
    The evolution in isolator design is enabling reliable isolation for emerging high-voltage digital control applications.
    Click image to enlarge

    Figure 1: Typical application of isolator in a motor-drive circuit (Source: WP - NEVs in China, Figure 16)

    ­Navigating through different forms of isolation requires a comprehensive understanding of the performance nuances inherent in various solutions, coupled with an awareness of evolving architectures tailored to the dynamic requirements of diverse applications.

    We are seeing changes in different sectors. Within the automotivesector, the surge invehicle electrification is fueling a substantial increase in the deployment of power converters. These converters play a pivotal role in rapidly charging multiple battery packs within electric vehicles (EVs) and converting stored energy for the operation of motors propelling each wheel and powering the electrical and electronic systems integrated throughout the vehicle.

    To benefit from the high efficiency, robustness, and power-handling capabilities, designers are turning to wide-bandgap transistor technologies, such as silicon carbide (SiC).These devices can help deliver much higher energy densities compared to circuits relying on conventional bulk-silicon processes, which is achieved through both higher-frequency operation, attributable to lower switching losses, and the ability to handle higher supply voltages.

    The higher-frequency operation calls for accurate low-delay, real-time control over the switching operations. Typically, this control is executed by high-speed microcontrollers or custom logic, employing devices based on advanced processes that operate at markedly lower voltages. To safeguard against surges and spikes originating from the high-voltage side, these circuits demand robust protection through the incorporation of sophisticated isolation components.

    Technologies for isolation

    Several core technologies have been developed for achieving electrical isolation. One of the earliest technologies is magnetic isolation, which utilizes the electromagnetic fields generated in transformer windings across an insulation gap. While common in power-supply design, using large transformers can be costly for achieving isolation between low- and high-voltage sections of a system.

    Optical isolation represents another enduring approach, relying on a light source—originally a filament bulb and now commonly a light-emitting diode (LED) — to illuminate a photodetector across an air gap. However, optocouplers, a common implementation of optical isolation, may suffer from aging effects. The adjustment of the photodetector to changing light levels introduces a delay, resulting in a comparatively slow response.

    Capacitive isolation emerges as a much faster alternative. Leveraging the electric fields generated by capacitors during the charge and discharge cycles, capacitive isolation efficiently couples signals across an insulation gap, effectively blocking any direct current. The communication facilitated by capacitive isolation is typically digital in nature. A common protocol for sending data is on-off keying (OOK), where a digital ‘1’ is represented by the presence of an oscillating field, and a ‘0’ is denoted by its absence.

    Capacitive isolation can offer much higher data ratethan opt isolation and provide low propagation delay thanks to the use of simple protocols such as OOK. A further benefit of capacitive isolation, especially in electric vehicles and other battery-intensive applications where every watt counts, is its relatively low power consumption. At a data rate of 1Mb/s, NOVOSENSE’s devices enabled with this technology consume just 1.5mA per channel with a propagation delay of less than <15ns. For high-speed control loops, the devices can support data rateas high as 150Mb/s.Thanks to these attributes, capacitive digital isolation offers the best combination of features for high-frequency systems.

    Click image to enlarge

    Figure 2: Single-channel digital isolator and OOK modulation (Source: UWB article, Figure 2)

     

    Application-focused requirements

    Many applications will call for acommon set of features, yet the distinctive requirements of each application dictate the most suitable isolation solution. Package dimensions, in particular, play a pivotal role in isolator selection, where certain measurements cannot be compromised despite the compactness advantages offered by higher-integration isolators. A critical consideration lies in the isolation gap within a device, directly impacting its withstand-voltage capability—a parameter witnessing an upward trend in select applications.

    In photovoltaic systems, for example, a notable shift is observed towards bus voltages reaching up to 1500V. This evolution aims to enhance the power density of photovoltaic modules. To control the subsystems that operate at such high voltages, designers need to use isolators that provide relatively long creepage distances in addition to the core voltage-withstand functions.

    Creepage, denoting the shortest distance between two conductive parts measured along the insulating surface, differs from clearance—the shortest straight-line distance between conductive parts. Environmental factors such as pollution levels and the comparative tracking index (CTI) impact creepage, representing the material's breakdown susceptibility under stress.

    As solar and other renewable systems have to operate constantly in harsh field conditions, environmental factors significantly influence clearance and creepage, which makes it important to consider their differences in how well a system will age in the field. The creepage distance requirements for photovoltaic systems are outlined in standards like IEC62109-1, specifying a 14mm gap implementation.

    Click image to enlarge

    Figure 3: Clearance and creepage distances as used in standards (Source: WP NEVs in China, Figure 40)

     

    In response to these requirements, manufacturers such as NOVOSENSE developed isolators that use wide-body and ultrawide-body packages. These devices can satisfy the creepage-distance requirements of the new standards. The ultrawide-body package offers a creepage distance of up to 15 mm. With an isolated withstand voltage of 8kVrms, the enhanced isolators in this family can provide an insulation level comparable to two conventional isolators connected in series.

    Distinguishing features of isolators

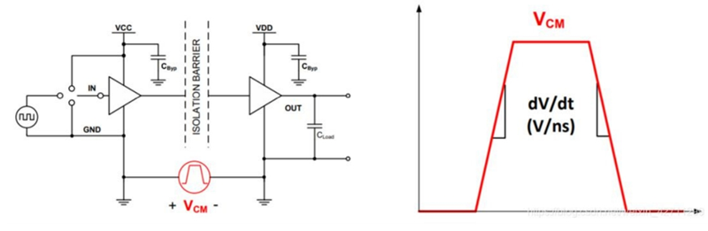
    Several features set isolators and their applications apart from each other. One crucial distinguishing factor is immunity to common-mode noise, an element that can impede the effective performance of isolators.

    Within a system, electric fields can couple with elements on both sides of the isolation barrier, introducing noise into both circuits. However, advancements in design can effectively mitigate this noise. NOVOSENSE adopts an innovative approach by implementing adaptive on-off keying (OOK) modulation. The adaptive OOK modulation incorporates a detection circuit within the IC to analyze signals on both sides of the modulation barrier. When interference levels are detected as relatively high, the circuit engages in processing to suppress the effects, effectively handling surges as formidable as 250kV/µs. This adaptive strategy holds a distinct advantage, especially inapplications where common-mode interference is transient and sporadic. The adaptive approach strikes a well-balanced synergy between power consumption and robustness, outperforming techniques reliant on constant, high-level common-mode noise suppression.

    Click image to enlarge

    Figure 4: A typical source of common-mode noise is a temporary shift in ground voltage (Source: WP NEVs in China, Figure 42)

     

    Operating temperature is a critical factor firmly tied to end-use applications. With this in mind, automotive companies delineate digital isolators into four distinct grades, ranging from Grade 0 to Grade 3, each imposing varying operating temperature specifications. Targeted at a vehicle's essential systems, a Grade 0 device boasts the most stringent requirements, necessitating functionality across a temperature span from-40°C to +150°C. As the grade numbers ascend, temperature ranges become narrower, a diversity that suppliers, such as NOVOSENSE, adeptly accommodate within their portfolios.

    Beyond adhering to the physical specifications outlined by standards like IEC62109-1, isolators must also demonstrate compliance with key safety standards due to their pivotal role in shielding circuitry from voltage spikes. Among these standards, meeting the UL1577 standard holds paramount importance in the isolator selection process. To secure approval under this standard, a device must withstand the rated isolation voltage for a duration of one minute. Furthermore, the standard mandates that all isolators undergo production testing, demonstrating their ability to withstand 120% of the isolation voltage for one second.

    Summary

    As applications continue to evolve to take advantage of changes in technology as well as new market opportunities, the isolation used to protect the electronic subsystems must develop as well. This development is evident in the enhancements made to crucial parameters within isolators developed by the suppliers, such as NOVOSENSE, thanks to their willingness to keep abreast of the changes.

     

    NOVOSENSE

    Related

    Transformer Design Comparisons for Mitigating EMI in Gate Driver Circuits

    Mar 29,2026
    Matthew Russell, Master’s student at University College Cork, and a student engineer at Bourns Electronics Ireland

    Integrated On/Off Controllers Help Energy Efficient System Designs

    Apr 1,2026
    Bryan Angelo Borres, and Noel Tenorio, Analog Devices

    Helping to Rewire Aerospace

    Apr 1,2026
    Bo Corn, Strategic Advisor, WireMasters

    SMD PIR Sensor Enables the Next Generation of Smarter Living

    Apr 1,2026
    Yoichi Fujioka, Director, Product Marketing at Murata Manufacturing Co., Ltd

    Power Systems Design

    146 Charles Street
    Annapolis, Maryland 21401 USA

    Power Systems Design

    Power Systems Design is a leading global media platform serving the power electronics design engineering community. It delivers in-depth technical content, industry news, and product insights to engineers and decision-makers developing advanced power systems and technologies.

    Published 12× per year across North America and Europe, Power Systems Design is distributed through online and fully digital editions, complemented by eNewsletters, webinars, and multimedia content. The platform covers key areas including power conversion, semiconductors, renewable energy, automotive electrification, AI power systems, and industrial applications—supporting innovation across the global electronics industry.