Design Centers
    Powering Communications
    Industrial power is a fascinating world, especially when designing customized solutions combining multiple disciplines

    Powering safety gear in demanding apps

    09/24/2015
    Patrick Le Fèvre, Powerbox

    Industrial power is a fascinating world, full of amazing projects requiring from designers a large range of competences as well as a tight intimacy with customers and related industries. Powering safety equipment in gas, oil and hazardous substances is a very good example of an area where power designers have to combine knowledge of power, safety and regulation, software, and a full understanding of the application area and connected devices. Let’s dive into the amazing world of Industrial Power to understand the connections between the electrons, the gas, oil and hazardous substances that make our world better and safer.

    Facing challenges

    The production, transportation and distribution of gas, oil, and hazardous substances require high levels of monitoring, guaranteeing safety and environmental protection at every step. It is critical to prevent any leakage, and if that happens, to detect and report faults without delay, requiring that sensors, monitoring station, communication, and other connected devices are powered with stable “always available power.”

    That might sound obvious but considering the entire chain, from production to distribution; the quality of power delivered from grid and micro-grid is not always optimum, which could compromise safety. That’s why a very specific type of power solution including local energy storage, power monitoring and communication towards the host system and site-manager is a must.

    We will come back to the power solution in detail, but challenges facing demanding industries include the aging of installed equipment, some are in operation for more than 20 years, powered by linear power sources with low efficiency and backup batteries, not dynamically monitored, and having as consequence to request, for safety reasons, preventive battery replacement on calendar basis. 

    At the very least there are cost implications for operators, as well an environmental impacts, if we consider the low efficiency of the power supply and the recycling of batteries that could be in a perfect condition; reducing energy consumption and battery life-time motivated companies to upgrade the installed base of power supplies with higher efficiency power sources, battery monitoring and real-time based communication between the power unit and the supervising center.

    Site modernization is an important process; but, in the case of the gas industry, not enough to reach the objectives fixed by the different governments to reduce methane emissions that may result from gas leakage throughout the overall process, as reported by the Clean Air Task Force [see Figure 1].

    Click image to enlarge

    Figure 1 – Oil and Natural Gas emissions throughout the overall process (Source Clean Air Task Force)

     

    In the U.S.A, the White House published the Climate Action Plan “Strategy to reduce methane emissions” in March 2014. This document covers a large range of areas where methane emissions must be reduced; from agriculture, to oil and natural gas sector, highlighting the need to improve measurement methods (e.g. by developing new measurement technologies, including lower-cost emissions sensing equipment) and for operators to initiate activities to reduce gas leakage throughout the overall process.

    The modernization process is very well aligned with the requirement but considering the scale of the overall chain [see Figure 1] additional measuring stations will be required to detect early leakage triggering action to repair as soon as detected. In that industry, time matters and the sooner a default identified, the lower the environmental impact; and for that reliable power sources are mandatory! What is the best power solution for serving gas, oil, and hazardous substances leakage-detection?

    Safety and regulations

    Many applications are using uninterruptable power supplies (UPS); though considering the nature of the industry segment, and potentially explosive environments, power designers have to consider a number of technical parameters, including specific legislations and regulations related to countries the final equipment is installed.

    Gas detection is very much connected to business segment ‘Fire Alarms’ and, from the early days, power solutions designed for those types of applications have had to follow safety standards related to that segment.

    In Europe, the EN 54 Fire detection and fire alarm systems is a mandatory standard that specifies requirements and laboratory tests for every component of fire detection and fire alarm systems, allowing free movement of construction products between countries of the European Union market.

    The part 4 (Power supply equipment - EN54-4:2007) specifies requirements, methods of test and performance criteria for power supply equipment of fire detection and fire alarm systems. Included in the standard are functionality tests, electrical and mechanical design requirements, as well environmental tests such as cold, vibration, impact, damp heat, and electromagnetic compatibility.

    In the USA, the product must comply with the National Fire Protection Association standard NFPA 72-2010 and to the FM Approvals - standard for fire alarm signaling systems – class 3010 (FM3010). When certified equipment are stamped with a specific certification logo [see Figure 2].

    Click image to enlarge

    Figure 2 – FM Approvals certification mark

     

    In other countries, additional standards may apply, which in close cooperation with equipment manufacturers, power designers have to consider at the early stages of the product development, e.g. in UK, the BRE Global Loss Prevention Certification Board (LPCB) verify and certify products operating in Fire Safety, stamped by the LPCB logo [see Figure 3].

    Click image to enlarge

    Figure 3 – BRE Global Loss Prevention Certification Board logo

     

    Power supply – battery and monitoring and communication in focus

    Standard power supplies powering Fire Alarms are usually dimensioned for small systems requiring limited current, 1.5A to 5.5A at 24V output. That is enough to power fire detectors, sensors and monitoring equipment but not sufficient for larger systems such as the ones deployed in the gas, oil and hazardous substance industry; especially when upgrading legacy systems.

    This is where custom power solutions are considered by equipment manufacturers, requiring more power, higher battery capacity, and extra features such as advanced monitoring and communication [see Figure 4].

    Click image to enlarge

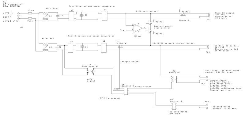
    Figure 4 – Powerbox PBUKW6004 AC/DC Power solution for monitoring critical industrial applications.

     

    Power Supply - High power EN54-4 power solutions are supporting high capacity lead acid batteries; in this example up to 200Ah. High capacity batteries are requiring special attention on the way the power is balanced between the system bus voltage and battery charging.

    The most optimized solution is to build a power system that includes two independent power supplies; the first one (28V/20A) to power the applications (e.g. infrared cameras) and the second (28V/15A) to charge the batteries as its main purpose [see Figure 5].

    Click image to enlarge

    Figure 5 - PBUKW6004 block diagram

     

    Enclosed in an IP30 case, the power supplies and supervising circuitries require special attention on layout, to optimize free air convection, which is the case in the vast majority of applications. Thermally controlled fans can always be added for high temperature environments but designers have to develop the product based upon free air convection, dimensioning components and thermal management for such conditions. Conduction cooling is the rule, and technology such as passive heat-pipes are often considered.

    Battery and Monitoring - As we mentioned earlier in the article, the reliability of EN54-4 power sources, supplying voltage to strategic applications and securing power to vital functions, in case of AC disruption, has no compromise. We used to say “Failure is not an option and battery integrity a must.” That’s where battery monitoring becomes a science, making the overall power system highly reliable.

    Different methods exist to test battery integrity/capacity:

    Full load test - For this test a constant current is drawn from the battery for an extended period of time (typically 20 hours). Measurements of current and voltage are taken periodically from which the capacity of the battery can be calculated.

    Reduced load or Maintenance load test - Similar to the full load test, except that the period is reduced (usually performed by operating the system on battery for a shorter period of time than for a full load test).

    Momentary load or Pulse load – The test meter loads the battery with a pulsed or momentary series of loads. The duration and repetition of the load test cycle varies depending on the battery type and size.

    Battery voltage reading - Typically the voltage of the battery is measured and compared to the optimal value expected; a small variation to this test is to allow a current to be drawn from the battery for a period of time to eliminate the surface charge.

    Each method has advantages and disadvantages and the best method is a combination of all. Considering the application and environment, system power designers have developed complex algorithms (part of companies’ secrets), integrating battery specific parameters, in-situ operating conditions and predictive failure simulation, based on calculation and field data.

    As the Fire Industry Association presented in “FIA Guidance Testing of lead acid batteries used in Fire Detection & Alarm System Power Supplies,” one of the most critical parts in this process is the calibration.

    As the battery ages, chemical degradation causes reduction in the battery’s maximum chemical capacity, limiting performance and risk of failure. Defining the point when an alarm signal should be generated to request maintenance is very important and that can only be done with detailed battery knowledge.

    In a perfect world, a calibration profile should belong to the battery, but unfortunately that is not always the case.  Currently the technical information available is not good enough for demanding applications, requiring power manufacturers to build their own databases, which are then integrated into the algorithms.

    Calibration requires a large amount of data to establish the performance profile of the battery. That data are is based upon voltage at the cells under different conditions of load and temperature, the internal resistance (measured value from a large population), the dynamic behavior under load transient and few more part of the magic receipt.

    When in operation, the EN54-4 power system permanently monitors the ‘State of Charge’ (Remaining battery capacity / Full charge capacity), the ‘State of Health’ (Full charge capacity / battery design capacity) and other parameters defined during the design process. In the case of the product presented as example, the PBUKW6004 tests the internal resistance and other parameters every 3 minutes with 10 cycles. The data is then compared with the calibration table and, if a deviation identified, the fault reported via the communication bus, as well as being communicated via a local LED on the front panel.

    Communication – Power supplies used in Fire Detection & Alarm System are usually not embedding communication interface. When a default detected, a LED is lit on the front of the power unit and a relay (e.g. open collector transistor) switched to trigger an alarm.

    In the case of gas leakage control, equipment could be deployed in remote areas or limited access during site operation. It is very important for the System Supervisor to know the state of each station in real time, requiring the power supply to communicate information to host/supervisor.

    Adding an Internet RS-485 with Modbus protocol to the power unit makes it possible for the System Supervisor to tightly monitor the health of each individual site and the state of the batteries and, from data collected, to initiate technical maintenance when necessary.

    Information collected through the communication bus is not limited to the battery, it could also include other useful information such as temperature, bus voltage condition and load condition, adding important information when monitoring safety in such operation.

    The way forward

    Powering demanding applications such as gas leakage monitoring is very interesting and new technologies such as low power consumption sensors will require power designers to explore new territories in future, which is very exciting.

    In the semiconductors domain, Gallium Nitride, Silicon Carbide or Gallium Arsenide are opening a full range of new applications and, as listed in the White House report under “Improving Methane Measurement” - developing new measurement technologies, including lower-cost emissions sensing equipment, an invitation to Power Designers to investigate harvesting energy.

    Powerbox

     

     

     

     

     

     

     

     

     

     

     

     

     

     

     

     

    Related

    Power Systems Design

    146 Charles Street
    Annapolis, Maryland 21401 USA

    Power Systems Design

    Power Systems Design is a leading global media platform serving the power electronics design engineering community. It delivers in-depth technical content, industry news, and product insights to engineers and decision-makers developing advanced power systems and technologies.

    Published 12× per year across North America and Europe, Power Systems Design is distributed through online and fully digital editions, complemented by eNewsletters, webinars, and multimedia content. The platform covers key areas including power conversion, semiconductors, renewable energy, automotive electrification, AI power systems, and industrial applications—supporting innovation across the global electronics industry.