Power Supplies

    May 2021
    Packaging, Functional Integration Driving Semiconductor Growth
    The over $42 billion global power semiconductor market (according to a recent Research and Markets report) is seeing incremental growth in traditional silicon power semiconductors like rectifiers and diodes, TVS devices, silicon MOSFETS and IGBTs. In the wide bandgap (WBG) segment, silicon carbide (SiC) is relatively sm
    . . . Learn More
    Date:
    05/03/2021
    Triple Bucks Plus a Boost Controller to Meet Tough Requirements

    Click image to enlarge

    Figures 1: Cold crank-tolerant automotive supply with three regulated outputs. Three bucks are powered with a boost preregulator (VOUT4), yielding precise regulation for all three outputs through a VBAT cold crank event (also shown)

    Automobiles present space-constrained, harsh environments that demand reliable and compact power supplies for increasingly complex electronics systems. The LT8603 compact regulator is a robust solution that combines two high voltage 2.5 A and 1.5 A buck regulators, a low voltage 1.8 A buck regulator, and a boost co
    . . . Learn More
    Date:
    05/03/2021
    Which Airflow Direction for Power Supply Fan Cooling?

    Click image to enlarge

    Figure 1: Genesys+ DC programmable power supply

    With integral, built-in fans some power supplies have the fan blow cool air into the power supply and others have the fan extract the hot air. The option to have the power supply manufacturer reverse the direction of the fan may be available. This may be of interest to the user when the system and power supply ai
    . . . Learn More
    Date:
    05/03/2021
    Powering Patient-Connected Medical Devices

    Click image to enlarge

    Figure 1: Medical power system with secondary DC-DC

    Many medical products are likely to come into contact with patients or operators during normal use or may require a sensor or device to be directly applied to a patient to perform their function. These ‘applied parts’ must be suitably isolated from any power source and ground to prevent current flow and co
    . . . Learn More
    Date:
    05/03/2021
    MOSFET for Hot-Swap Applications

    Click image to enlarge

    Figure 1. Multi-module Telecom-server Hot-Swap Applications

    When hot-swap circuits are used in high-availability systems, the operation will not be interrupted if there is a need to replace or add attentional units for system operation. Figure 1 shows that hot-swapping can often involve a large transient current (up to hundreds of amperes) to charge the output capacitor
    . . . Learn More
    Date:
    05/03/2021
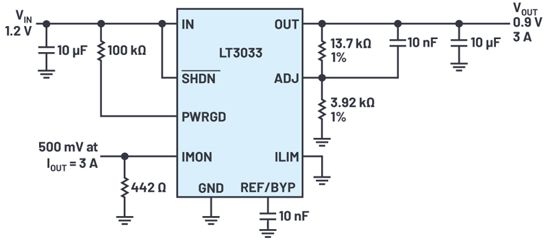
    Mitigating Heat Problems in Modern Computer Power Systems

    Click image to enlarge

    Figure 1. LT3033 typical application

    Each successive generation of computing systems demands more total power and lower supply voltages than its predecessor, challenging power supply designers to keep pace with higher output current in a small area. At high power densities with low output voltages, the problem of heat dissipation rises to the top of
    . . . Learn More
    Date:
    05/03/2021
    Powering 5G

    Click image to enlarge

    Figure 1: Base station energy consumption rise (adapted from Huawei data)

    We have all been looking forward to 5G mobile communications and the promised benefits – faster downloads at speeds theoretically greater than 50Gps, 50x lower latency than 4G, the opening up of the IoT for home and factory automation and of course control of autonomous vehicles. By 2025, the resulting data tr
    . . . Learn More
    Date:
    05/03/2021
    Foundations of Quiescent Current in Linear Power Systems

    Click image to enlarge

    Figure 1. Common battery-powered applications that use LDOs

    With many portable medical devices, consumer electronics and building automation products now relying exclusively on battery power, design engineers are increasingly looking to reduce power consumption to get the most they can from their batteries. Figure 1 depicts some of the most common applications for which
    . . . Learn More
    Date:
    05/03/2021
    Shrinking the Physical Layouts of Power Systems Designs

    Click image to enlarge

    Figure 1: Infineon Technologies CoolSiC 1200V SiC Trench MOSFETs support higher switching frequencies with reduced heat dissipation in a space-saving package. (Source: Mouser Electronics)

    Business magnate, industrial designer, and engineer Elon Musk is aiming to land humans on Mars by 2026. Musk’s vision is leading humanity to explore more of space. In contrast, power systems designers are primarily concerned with saving space on their physical layouts of power systems designs. Not to be
    . . . Learn More
    Date:
    05/03/2021
    PCIM Goes Virtual for a Second Year
    Usually at this time of year, I’d be preparing to head off to Nuremberg for the biggest power event of the year. PCIM is always the showcase for the power industry in Europe and the exhibition that almost every company involved in the industry uses as a launchpad for their newest products and technologies. Un
    . . . Learn More
    Date:
    05/03/2021
    As Fundamental as they Come
    We’re closer than ever to eradicating COVID-19 – vaccines are disseminating, restrictions are lifting, and even if the coronavirus lingers for months (or years), we’re beginning to return to “normal.” But not soon enough. Next month’s Applied Power Electronics Conference (APEC), the Super Bowl of t
    . . . Learn More
    Date:
    05/03/2021
    Archive

    Power Systems Design

    146 Charles Street
    Annapolis, Maryland 21401 USA

    Power Systems Design

    Power Systems Design is a leading global media platform serving the power electronics design engineering community. It delivers in-depth technical content, industry news, and product insights to engineers and decision-makers developing advanced power systems and technologies.

    Published 12× per year across North America and Europe, Power Systems Design is distributed through online and fully digital editions, complemented by eNewsletters, webinars, and multimedia content. The platform covers key areas including power conversion, semiconductors, renewable energy, automotive electrification, AI power systems, and industrial applications—supporting innovation across the global electronics industry.