Tech Talk
    Analog Devices
    In this blog, Frederik Dostal from Analog Devices talks to PSD about the company’s power solutions for the intelligent edge.
    Frederik Dostal, Subject Matter Expert, Power Management at Analog Devices

    ­Implementing Power in the Intelligent Edge

    02/21/2024
    Ally Winning, European Editor, PSD

     

    The edge is the place that the physical world meets the digital world. At this junction, billions of sensors take measurements of every possible metric. In the original concept of the internet of things (IoT), the data from those sensors would be sent to a server or data-centre to be processed, actioned and stored. However, those sensors generate huge amounts of data, which can clog up the network. A slow network could mean a delay for any action to be taken, which is problematic for time-sensitive applications. To get around this congestion by reducing the amount of data transmitted, the intelligent edge was conceived.

     

    Intelligent edge designs perform the processing near the sensor and only transmit data that is essential. For example, a CCTV system may be intended to monitor the amount of people passing through an area. Previously, the full video stream would have been transmitted to be processed. In an intelligent edge installation, a microprocessor will analyze the images, count the people and only communicate a figure for the number of people. This technique can reduce the amount of data sent by orders of magnitude. However, this type of solution does comes at a cost. Instead of requiring only a sensor and communications link, the signal from the sensor has to be conditioned and processed locally, which adds more components to the design and therefore increases power demand.

     

    Sensors come in all shapes and sizes, and each application has many different requirements. Some solutions may be simpler than others, for example if there are few space restrictions and a wired solution is possible. In other cases, sensors may be situated in remote locations, without a wired connection, making it necessary to use batteries or scavenge energy from the environment. These locations are often difficult to access for battery replacement, or restricted by how much energy can be generated, and therefore their main priority is usually to make the available power last as long as possible. Other intelligent edge systems may be retrofitted inside machinery and need to be as small as possible. Finally some applications, such as video capture, require as little interference as possible, and noise has to be kept to a minimum.

     

    If mains power is not an option, existing infrastructure can sometimes be repurposed. For example, single-pair power-over-Ethernet (SPoE) technology takes advantage of legacy 4 - 20 mA infrastructure. Frederik Dostal, Subject Matter Expert, Power Management at Analog Devices explains, “Some sensors in older systems used a 4 to 20 mA system through a twisted pair wire. SPoE is a relatively new way to transmit a lot of power that is now gaining popularity. The protocol enable transmission of 52 W power up to 400 m, which is a lot for such a small little cable and more than enough to power intelligent edge designs, even very advanced ones. If a longer distance is required, SPoE can transmit up to 20 W over 1 km distance. That type of solution only requires two ICs for example Analog Device’s LTC4296-1 5-Port SPoE PSE controller to send the power, and a receiving device, such as the LTC9111 SPoE PD Controller”.

    Figure 1 - Existing infrastructure can be used to power intelligent edge designs with SPoE

     

    For intelligent edge installations that need to use minimal energy, a completely different type of solution is necessary. These types of circuits usually only switch on to measure and transmit data and then switch back off again. Therefore, the power that is consumed when the circuit is asleep can be just as important as they energy that it consumes when operating, especially for designs with very low duty cycles. For these circuits, Dostal recommends a solutions from Analog Devices’ Nano Power range. He explains, “A special type of power converter that consumes very little power while turned on and even less in standby mode is needed for ultra-low-power applications. For example, the MAX38650 buck regulator can convert from one voltage level to another while only consuming 390 nA of quiescent current. In shutdown mode, it only consume 5 nA of quiescent current. In addition, it uses a single resistor to set the output voltage level instead of a voltage divider to further save energy.”

    Figure 2 - The lowest possible quiiescent current is needed for intelligent edge designs that spend the majority of their time in standby mode

     

    Noiseless systems are essential in some applications. The downside of edge processing is that the processor and other supporting components demand a larger power supply, which tends to generate more noise. However, the amount of noise generated can be reduced considerably if the correct power solution is chosen.

     

    Dostal expands, “In a non-intelligent system, an image sensor would just send all the data off to a main server or into the cloud. That type of circuit would require a small power supply which doesn’t generate much noise. If you want to do the signal processing at the edge, it may take 1 to 3 A for all the necessary data crunching. That would need a larger power supply and a large power supply typically is much more noisy than a smaller one”.

     

    He continues, “For such an application, a solution such as Analog Devices’ Silent Switcher series would be recommended. Before devices like these were available, designers had a choice between efficiency and circuit noise. A fancy notch design would be required to reduce noise, but that would lower the efficiency of the circuit quite considerably, and, even then, EMI could become a problem. The Silent Switcher family offers both increased power conversion efficiency and reduced noise. Devices in the family are built with a power stage in a very symmetrical manner. So, if pulsed currents are flowing into a buck regulator, for example, then both will still generate a pulsed magnetic field which is the source for the EMI, but one magnetic field is going into one direction and the other magnetic field is going into the other direction, and both magnetic fields cancel each other out. Parasitic inductances are also reduced through the use of flip chip technology which gets rid of bonding wires. Finally, there are secret sauce components that differentiate ourselves from competitors.”

     

    Figure 3 - Silent Switcher technology opertates by using a symmetrical design to generate opposing magnetic fields which cancel each other out and reduce noise. 

     

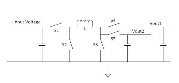
    In general, power designs require an inductor for every output. Inductors can be bulky components which increases the overall size of the design. For some designs, such as those found when retrofitting machinery with intelligent edge sensors, size is the main design restriction. In older designs, the sensor and perhaps a communications device needed power, which meant single or double power rails requiring only one or two inductors were necessary. However, in intelligent edge designs, the microcontroller and other components also need power, which means multiple rails and more inductors, and therefore a larger end design. One way of reducing the size of tehe solutions for applications like these is to use single inductor, multiple output (SIMO) technology. A previous TechTalk blog with Analog Devices, which can be found here, goes into more detail about SIMO technology.

     

    Dostal concludes by saying, “As well as using SIMO technology for space constrained applications, other optimizations for space are also helpful. For example, a wafer level chip scale package with BGA connections is tiny, and only requires a space the actual size of the silicon. Micromodules can also make the final size of the device smaller by stacking the components on top of each other. For example, having the silicon on the on the bottom and the necessary inductor on top.”

     

    Figure 4 - SIMO technology uses only one inductor to generate multiple voltage outputs, considerably reducing the size of the design

    www.analog.com

    Related

    Making EVs and Renewable Energy Work Together

    Mar 25,2026
    Ally Winning, European Editor, PSD

    Packaging is Key to TI Innovation at APEC

    Mar 25,2026
    Ally Winning, European Editor, PSD

    Power Efficiency Measurements With a Single Tool

    Feb 24,2026
    Ally Winning, European Editor, PSD

    At the EPiCentre of the GaN Revolution

    Feb 18,2026
    Ally Winning, European Editor, PSD

    Power Systems Design

    146 Charles Street
    Annapolis, Maryland 21401 USA

    Power Systems Design

    Published by Power Systems (PSD) serves all aspects of the Power Electronics market including but not limited to Power Conversion, Power Management, Intelligent and Embedded Motion, Automotive, Renewable Energy, Energy Efficiency and Lighting. PSD is published 10x per year in English with separate print editions for Europe and North America and is published 6x per year in China. PSD Apps are available for Android & iOS. Additionally qualified power engineering professionals may subscribe and receive PSD daily PowerSurge newsletters.