Design Tips

    September 2020
    What to Consider in Regard to Switching Frequency

    Click image to enlarge

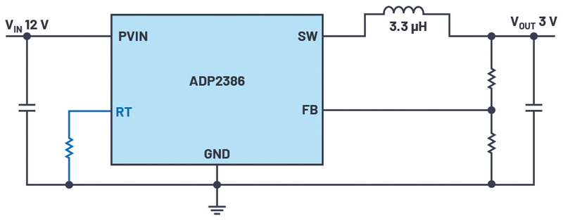
    Figure 1. An ADP2386 buck converter with its switching frequency set with resistor RT.

    Switch-mode power supplies switch with a frequency that is either fixed, adjustable, or synchronized to an external clock. The value of the switching frequency determines the physical size and, accordingly, the cost of a supply’s capacitors and inductors. There is a trend toward higher switching frequencies to
    . . . Learn More
    Date:
    09/28/2020
    Archive

    A Reliable Power-Up and Power-Down Sequence

    Mar 1,2026
    Frederik Dostal, Power Management Expert, Analog Devices

    Important Characteristics of Insulated Gate Drivers

    Feb 1,2026
    Thomas Brand, Senior Field Applications Engineer, Analog Devices

    Step by Step Methodology and Solutions for Connecting and Disconnecting a Supply Voltage Line

    Jan 1,2026
    Frederik Dostal, Power Management Expert, Analog Devices

    Minimizing Emissions from a Ćuk Regulator

    Dec 1,2025
    Frederik Dostal, Power Management Expert, Analog Devices

    Power Systems Design

    146 Charles Street
    Annapolis, Maryland 21401 USA

    Power Systems Design

    Power Systems Design is a leading global media platform serving the power electronics design engineering community. It delivers in-depth technical content, industry news, and product insights to engineers and decision-makers developing advanced power systems and technologies.

    Published 12× per year across North America and Europe, Power Systems Design is distributed through online and fully digital editions, complemented by eNewsletters, webinars, and multimedia content. The platform covers key areas including power conversion, semiconductors, renewable energy, automotive electrification, AI power systems, and industrial applications—supporting innovation across the global electronics industry.