Design Tips

February 2021
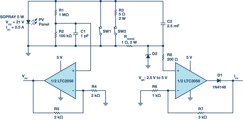
Precise Photovoltaic I-V Characterization

Click image to enlarge

Figure 1. PV sweep measurement with the LTC2058

Photovoltaic (PV) modules are popular and affordable sources of renewable energy. Most photovoltaic modules last about 20 years, but thermal stressand moisture ingress, among other causes, can degrade a module’s output power over time. For the purpose of debugging, a module’s performance degradation can be
. . . Learn More
Date:
02/01/2021
Archives