Technical Features

    January 2013
    Transformer Design Comparisons for Mitigating EMI in Gate Driver Circuits

    Click image to enlarge

    Figure 1: Gate driver circuit diagram with a Bourns transformer

    While gate driver-based converters deliver improved efficiency, speed and signal integrity, their high frequency switching features can produce elevated levels of conducted electromagnetic interference (EMI), posing challenges to electromagnetic compatibility (EMC) and overall system reliability. To solve this
    Date:
    03/29/2026
    Flash corruption: software bug or supply-voltage fault?

    Click image to enlarge

    Figure 1: Typical CPU section and firmware memory map

    Embedded systems commonly use Flash memory to store firmware. Occasionally, the firmware stored in the Flash memory in some systems is accidentally corrupted, preventing the system from booting up
    . . . Learn More
    Date:
    01/27/2013
    Convert a buck regulator into a high-current LED driver

    Click image to enlarge

    Figure 1: Projected relative cost of LED Luminaire and percentage due to the cost of LEDs (Source: DOE SSL 2011 Manufacturing Roadmap)

    LEDs promise to change the world, and few doubt that they will. However, a key limiter to more rapid adoption is the cost of the LEDs themselves. The cost breakdown of LED luminaires varies, but it
    . . . Learn More
    Date:
    01/26/2013
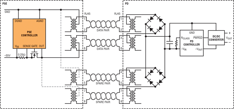
    90-W plug-n-play Power over Ethernet over 100-m CAT-5e cable

    Click image to enlarge

    Figure 1: A typical PoE system

    PoE (Power over Ethernet) has been increasing in popularity due to its flexible and cost-effective method of delivering both power and data over a single Ethernet cable. This allows equipment to be
    . . . Learn More
    Date:
    01/21/2013
    Five considerations for deploying Ethernet in wind farms

    Click image to enlarge

    Figure 1: A network topology for wind-farm applications makes use of redundant devices and cabling to maximize system uptime and minimize the operational consequences of single points of failure.

    Data is a key element to the successful operation of a wind farm. Real-time data access allows operators to monitor wind turbine uptime, performance, and power output—even from remote locations. This
    . . . Learn More
    Date:
    01/21/2013
    Modeling and simulation for wind and solar energy

    Click image to enlarge

    Figure 1: Shading and current distribution inside the solar module

    The market for green and renewable energy is growing, but also presents numerous new challenges when it comes to technology, environment, and acceptance. Concerning technology, these challenges require
    . . . Learn More
    Date:
    01/20/2013
    Such a dense power grid however may not be as vulnerable to power outages as some experts fear. One might assume that it is much harder to synchronize the many generators and machines of consumers,
    . . . Learn More
    Date:
    01/20/2013
    The smart grid surrounds us these days. In the U.S., approximately 36 million smart electricity meters have deployed since 2007 (reference 1). In Europe, both Italy and Sweden have each achieved complete
    . . . Learn More
    Date:
    01/19/2013
    Renewable energy prices; weather driven and volatile

    Click image to enlarge

    Figure 1: Wholesale energy prices will be increasingly driven by the weather.

    Pöyry Management Consulting has conducted a series of studies over the last two years to investigate how European energy markets would need to evolve in the face of the radical changes expected from
    . . . Learn More
    Date:
    01/19/2013
    Optimizing output noise through low-noise power design

    Click image to enlarge

    Figure 1: Micrel's MIC94300 integrated design reduces the combined footprint of filter and load switch by as much as 65%.

    The proliferation of portable connectivity devices over the last decade has seen most of us become more reliant on technology than ever before. At home and at work, as we embrace technology, we demand
    . . . Learn More
    Date:
    01/09/2013
    Active network management offered as grid panacea

    Click image to enlarge

    Figure 1: Active Network Management creates a new layer of grid management.

    The power industry faces some significant future challenges: to create a more visible and controllable electricity grid to deliver power more reliably, efficiently, and cost effectively and find smarter
    . . . Learn More
    Date:
    01/09/2013
    Properly implemented, galvanic isolation is an effective defense against disturbances in the ground plane often referred to as ground loops, which occur as a result of varying electrical potentials. Physical limitations require that electrical components on a PCB connect to the ground plane at different physical
    . . . Learn More
    Date:
    01/03/2013
    Archive

    Transformer Design Comparisons for Mitigating EMI in Gate Driver Circuits

    Mar 29,2026
    Matthew Russell, Master’s student at University College Cork, and a student engineer at Bourns Electronics Ireland

    1250 V/1700 V GaN HEMTs for NVIDIA 800 VDC Architecture

    Jan 31,2026
    Kamal Varadarajan & Chris Lee, Power Integrations

    Future-Proof Automotive High-Voltage-to-SELV Conversion

    Dec 30,2025
    Greg Green, Director of Automotive Marketing, Vicor

    Power Systems Design

    146 Charles Street
    Annapolis, Maryland 21401 USA

    Power Systems Design

    Power Systems Design is a leading global media platform serving the power electronics design engineering community. It delivers in-depth technical content, industry news, and product insights to engineers and decision-makers developing advanced power systems and technologies.

    Published 12× per year across North America and Europe, Power Systems Design is distributed through online and fully digital editions, complemented by eNewsletters, webinars, and multimedia content. The platform covers key areas including power conversion, semiconductors, renewable energy, automotive electrification, AI power systems, and industrial applications—supporting innovation across the global electronics industry.