Technical Features

May 2019
Why Automotive Qualification Still Matters in the Age of Software-Defined Vehicles

Click image to enlarge

Figure 1: The connected nature of today’s vehicles requires efficient power chips to manage their many intelligent devices and connections

­Today’s vehicles can include more than 100 electronic control units and millions of lines of code, supporting a range of functions, including infotainment, navigation, driver assistance, and powertrain control. As the shift to software-defined vehicles (SDV) accelerates, electronic components face heightened expectation
Date:
12/03/2025
Get Going with GaN

Click image to enlarge

Standing room only at PSD's PCIM Europe 2019 podium presentation titled: "Get Going with GaN"

Power Systems Design (PSD) at PCIM Europe 2019. Podium presentation title: "Get Going with GaN", moderated by Ally Winning, European Editor, PSD. To view the slides from this presentation, simple Click here
. . . Learn More
Date:
05/08/2019
Building in Protection to Avoid LED Failures
The LED is a seemingly tireless worker and its solid-state construction promises a long useful lifetime. With the growing availability of high-intensity devices, LED is quickly becoming a mainstream component for area lighting. Although LED lighting promises much longer lifetimes than older incandescent and fl
. . . Learn More
Date:
05/07/2019
Why Industrial LED Fixtures are Ideal for Warehouse Lighting

Click image to enlarge

Figure 1. Dialight LED High Bays illuminate GS Dunn warehouse shelving

Warehouse design and workflow are critical factors in maximizing productivity at any facility. The ability to move product and materials efficiently through a storage area is a primary concern both for speed and efficiency, as well as keeping workers safe in the process. Clear visibility is crucial, but it’
. . . Learn More
Date:
05/07/2019
The Future of No-UV Lighting is LED

Click image to enlarge

Figure 1: Wave Length

No-UV or UV-free lighting is commonly used in certain production facilities or clean rooms that use UV curing in their manufacturing processes. UV light causes some materials and products to cure or harden, which means that lighting for these facilities must be strictly controlled so as not to ruin batches of pr
. . . Learn More
Date:
05/07/2019
Maximising Battery Life for IoT Devices on LPWANS

Click image to enlarge

IoT Connected Devices

It is generally agreed that the Internet of Things (IoT) has moved from the hype stage and is now about pragmatic adoption; a sentiment reflected by the fact that IoT has dropped from Gartner’s Hype Cycle for Emerging Technologies 2018 report, moving through its peak. It is now all about facilitating the interconnection of
. . . Learn More
Date:
05/07/2019
New Touch Controllers can Transform Industrial HMI

Click image to enlarge

Figure 1: Zytronic’s flexible p-cap manufacturing process

Human Machine Interfaces (HMI’s) used in hazardous or industrial applications have a difficult life, and their designers face many challenges when integrating interactive technologies into these systems. A new generation of touch controllers will transform the design of industrial projected capacitive (p-cap) to
. . . Learn More
Date:
05/07/2019
Prevent Unexpected Shutdown by Accumulating Battery Facts

Click image to enlarge

Figure 1. Shutdowns can be frustrating

Individuals with annoying battery recharge problems become excruciatingly attuned to their device’s power meter because they know that battery mishaps or unexpected shutdowns can occur at any moment. Frequent battery recharging activities become a way of life and prevent some people from even leaving the vicinity of
. . . Learn More
Date:
05/07/2019
6 A Buck Regulator for High Efficiency Compact Solutions

Click image to enlarge

Figure 1. A 4 MHz dual buck regulator delivers a compact solution.

System designers are asked to produce smaller, higher-efficiency power supply solutions to meet the demands of power thirsty SoCs and FPGAs across all industries. The space available for the power supply footprint is critical in advanced electronics systems, as supplies must be placed near the SoC or its peripheral de
. . . Learn More
Date:
05/07/2019
Power Supplies: Designing with Magnetic Components

Click image to enlarge

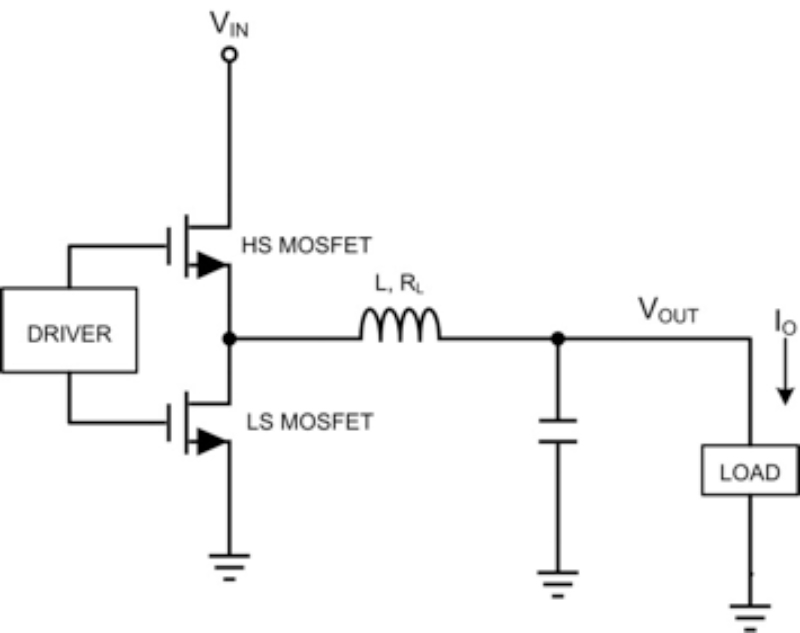
Figure 1: Buck converter

Magnetics play an important role in power supplies; they can be used as elements in power conversion and filtering. Experienced power-supply designers know that the success or failure of their designs depends heavily on the proper selection of magnetic components. Since magnetics can be used in a wide range of
. . . Learn More
Date:
05/07/2019
Power Path Monitor and Control with Smart Fuse

Click image to enlarge

Figure 1. Schematic showing current sensing and short-circuit protection.

In today’s battery-operated mobile devices, two of the most important aspects are battery life and safe operation. In other words, end users expect long battery life, and the battery should be guarded against overheating from over-current drain due to undesired faults.   A CSA can monitor current out of th
. . . Learn More
Date:
05/07/2019
A New Era in Audio Performance with Infineon’s MERUS™ Multilevel Class D Amplifiers

Click image to enlarge

Figure 1: MERUS™ amplifiers have a special power stage topology. In this design each half-bridge uses four MOSFETs (M1-M4) and the capacitor is “flying” between those to serve as an extra supply rail, resulting in a three-level output signal at the output switching node

Voices, noises, music – they are part of our lives. Sound has always been all around us. It connects us to our surroundings either we produce or just listen to them. Being an integral part of our everyday, conception and design of audio products and their environments have become more and more essential. In th
. . . Learn More
Date:
05/01/2019
Are you SiC of Silicon? - Part 2

Click image to enlarge

Anup Bhalla, Vice President Engineering, UnitedSiC

State of SiC Device and Package Technology It has long been known that packaging technology is key to unleashing the potential of wide-bandgap (WBG) devices. Silicon Carbide device manufacturers have been making rapid improvements in device technology figures of merit such as on-resistance per unit area (Rds
. . . Learn More
Date:
05/01/2019
Archives